logo
Projekt Daily - Info´s
  • Startseite
  • 1A Plan
  • Daily Daten Info mehr........
  • APP´s
  • Bootfloor
  • Carloflex 410 PU Dichtkleber
  • Carloflex Abtupfbare Dichtmasse
  • Clesana C1
  • Dachluke und Lüfter
  • DEFA
  • Dusche
  • Elektro
  • Fenster
  • Führerhaus Rollo
  • Heizung
  • Hubmotoren und Steuerung
  • Kleinteile und mehr.....
  • Küche+Kühlschrank
  • Plan
  • PV Modul
  • Schalttafel 6+10
  • Sitzkonsole 6Way
  • Sitzkonsole Turny
  • Trennwand
  • Tüv+Infos
  • Trittstufe
  • USB 100W
  • Vanue Isolierung
  • Wasser und Abwassertank
  • Wassertechnik
  • My Daily
    • P1
    • P2
    • P3
    • P4
    • P5
    • P6
Die größte Party des Jahres erwartet dich!

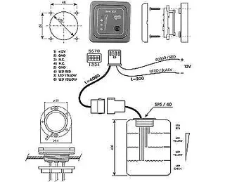
Wassertechnik

anleitung_fuer_lilie-pumpen_caravaning_v1.19.pdf (634.04 kB)
RCH_WS_pkt_Produktuebersicht_DE_20231207_AN.pdf (9.93 MB)
vp-252_de_fly_graugelb_8s_04_08-2021_v11_screen_g.pdf (786.01 kB)
vp-215_fly_de_pumpen_twswg_08.2024.pdf (3.92 MB)
Wasserfilter_mycleanwater_Massskizzen.pdf (449.63 kB)
XB-3_Installation_Manual.pdf (339.61 kB)
Impressum/Kontakt
Datenschutzinformation